Kompaktes Antriebs- und Steuerungs- System für Selbstpresscontainer

Für alle Hydraulik-Pumpen mit Druckanschluss über Flansch Lochkreis 35mm 4x M6 oder Lochkreis 55mm 4x M8.

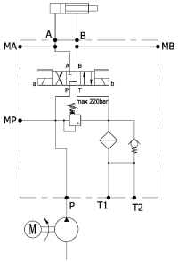
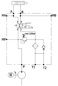
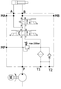
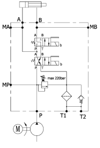
Hydraulik Steuerung bestehend aus:
Steuerblock aus Aluminiumlegierung 6061 anodisiert, Anschlüsse A, B, T1, T2 G1/2
Druckbegenzungsventil Cartridge max. Druck 225 bar
4/3-Wegeventil NG 6 oder NG 10, 24 VDC oder 230 VAC
Optimale Dekompression der Zylinderkolbenseite im Anschluss A oder B in der Mittelstellung
4/2-Wegeventil NG 6, 24 VDC oder 230 VAC für zuschaltbare Differentialschaltung des Zylinders (Zylinder-Flächenverhältnis 2:1)
Spin-On-RücklauTilter mit integriertem By-Pass-Ventil 2,5 bar, Papierfilter 25 Mikron

Optional:
Einschraub-Rückschlagventil in Pumpenanschluss
Druckschalter oder Drucksensor mit Einschraubgewinde G1/4 in Messanschluss MP, MA, MB
Spin-On-RücklauTilter mit integriertem By-Pass-Ventil 2,5 bar, Glasfaserflies 10 Mikron
Einschraub-Filter-Verschmutzungsanzeige optisch oder elektrisch
P und T Anschluss (zusätzlich, als Zwischenplatte NG 06) für Nebenfunktionen, z.B. Kippvorrichtung
Weitere Optionen auf Anfrage

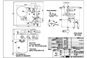
6

SHF-2704A-00-03

MINIPU SHF-2704A-00-03      

Artikelnummer: 10167, aktueller Lagerbestand: 3 Stück


SHF-2704A1SHF-2704A2SHF-2704A-00-03