Hochdruckaggregate mit van Dinther Radialkolbenpumpe

Universell konfigurierbare Hochdruckaggregate:
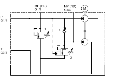
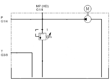
Es gibt zwei Grundvarianten, nur eine Radialkolbenpumpe, oder eine Radialkolbenpumpe mit zusätzlicher Zahnradpumpe.

1/M63L0.18N4 2/Z7 3/A-A-GO11-A-T 4/MR01V-NA-NS

Erklärung der Typenbezeichnung
1/M63L0.18N4E-Motor
MDirektanbau
63Baugröße (x)
L0.18Leistung 0.18 kW bei 50 Hz
N4Polzahl 4, 1500 U/min
Motor-Type M63L0,18N4BXT
2/Z7RKP
ZKolben Z, max 700 bar, selbstansaugend
7Anzahl Kolben
Pumpen-Type 1R-ET Z7%PWO2
3/A-A-GO11-A-TAusführung
ACode A: Doppelpumpe
ADruckbegrenzungsventil: A: 25 bar
GO11Zahnradpumpe
ADruckabschaltventil: A: 25 bar
Tmit Temperaturschalter
4/MR01V-NA-NSTank
MRMR: Rundtank
01Volumen
VLage Einfüller
NANiveauanzeige
NSNiveauschalter
ohne Ventile

van Dinther Hochdruckaggregat27.04.2026 - 10:29SWR Europe - van Dinther Antriebstechnik GmbHEngelbertstr. 17-21, 45892 Gelsenkirchen, GermanyTel. +49 (0) 209 177554 40, Fax +49 (0) 209 177554 49www.van-dinther.dehydraulik@van-dinther.de1/M63L0.18N4 2/Z7 3/A-A-GO11-A-T 4/MR01V-NA-NS1/E-MotorMDirektanbau63Baugröße (x)L0.18Leistung 0.18 kW bei 50 HzN4Polzahl 4, 1500 U/minMotor-Type M63L0,18N4BXT2/RKPZKolben Z, max 700 bar, selbstansaugend7Anzahl KolbenPumpen-Type 1R-ET Z7%PWO23/AusführungACode A: DoppelpumpeADruckbegrenzungsventil: A: 25 barGO11ZahnradpumpeADruckabschaltventil: A: 25 barTmit Temperaturschalter4/TankMRMR: Rundtank01VolumenVLage EinfüllerNANiveauanzeigeNSNiveauschalterohne Ventile 291.9" stroke-width="1px" stroke="blue" fill="blue"/> 308" stroke-width="1px" stroke="blue" fill="blue"/> 291.9" stroke-width="1px" stroke="blue" fill="blue"/> 308" stroke-width="1px" stroke="blue" fill="blue"/> 167.85" stroke-width="1px" stroke="blue" fill="blue"/>