Zwischenplattenventile von 7Ocean
Zwischenplattenventile NG6
MCB AusgleichsventilMCV RückschlagventilMGV DruckreduzierventilMPC Vorgesteuertes RückschlagventilMPD Vorgesteuertes Rückschlagventil mit DekompressionMRV ÜberdruckventilMSV DrucksequenzventilMTC Drosselrückschlagventil02 CETOP 3 - ISO 4401-03 (NFPA-D03/DIN 24340)

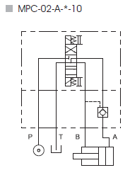
ABW12MPC-02-A-1-10
Zwischenplattenventil MPC-02-A-1-10 pilot check valveArtikelnummer: 7173, aktueller Lagerbestand: 5 Stück
| Erklärung der Typenbezeichnung | |
|---|---|
| MPC | Vorgesteuertes Rückschlagventil |
| 02 | CETOP 3 - ISO 4401-03 (NFPA-D03/DIN 24340) |
| A | Hydraulik-Symbol |
| 1 | 1 |
| 10 | design |

Download Datenblatt MPC02
folgende Ventile sind ab Lager lieferbar:
MCB-02-A1-2-10MCB-02-B1-2-10
MCV-02-A-1-10
MCV-02-B-1-10
MCV-02-P-1-10
MGV-02-A-0-10
MGV-02-B-1-10
MGV-02-P-0-10
MGV-02-P-1-10
MGV-02-P-3-20
MPC-02-A-1-10
MPC-02-B-1-10
MPD-02-A-1-10
MPD-02-B-1-10
MPD-02-W-1-10
MRV-02-A-3-10
MRV-02-B-2-10
MRV-02-P-2-10
MRV-02-P-3-10
MSV-02-P2-2-10
MTC-02-A-I-10
MTC-02-A-O-10
MTC-02-B-I-10
MTC-02-B-O-10
MTC-02-P-10
MTC-02-W-I-10
MTC-02-W-O-10



























